振動篩12年生產廠家
過濾,除雜,分級


全國統一銷售熱線

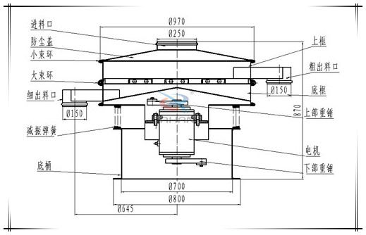
1800型振動篩為直徑1800mm的兩層三個出料口振動篩,子母網分離式網架,接觸物料部分以及防塵蓋均為304不鏽鋼材質,底座部分為Q235碳鋼材質。








振動篩由直立式振動電機作為激振源,電機上、下兩端安裝有偏心重錘,將電機的旋轉運動轉變為水平、垂直、傾斜的三次元運動,再把這個運動傳遞給篩麵進行篩分。調節上、下兩端的相位角,可以改變物料在篩麵上的運動軌跡。通過改變振動電機的上下2塊kuai偏pian心xin塊kuai的de夾jia角jiao和he質zhi量liang,振zhen動dong電dian機ji即ji可ke帶dai動dong設she備bei產chan生sheng不bu同tong大da小xiao的de振zhen動dong力li,從cong而er改gai變bian水shui平ping或huo垂chui直zhi方fang向xiang的de振zhen動dong幅fu度du,進jin而er改gai變bian篩shai分fen的de流liu量liang和he效xiao率lv。


化工行業:樹脂、塗料、工業藥品、化妝品、油漆、中藥粉等。
食品行業:糖粉、澱粉、食鹽、米粉、奶粉、豆漿、蛋粉、醬油、果汁等。
金屬、冶金礦業:鋁粉、鉛粉、銅粉、礦石、合金粉、焊條粉末、二氧化錳、電解銅粉、電磁性材料、研磨粉、耐火材料、高嶺土、石灰、氧化鋁、重質碳酸鈣、石英砂等。
公害處理:廢油、廢水、染整廢水、助劑、活性碳等。
(一)shebeiyingyouwendingdejichu。dangshebeianzhuangyuyibandimianhuoshuinijichushangshi,keyibushezhidijiaoluoshuan。dangshebeianzhuangyugangjiegoujiataizhishangshi,yingyongluoshuanjinguyujiegoutishang,erqiegangjiegoujiataiyingyouyidingdegangdu。
本機隻需三相開關一隻(備注:好使用電氣控製盤),用蛇皮管穿線,將電機接至電源即可,注意電氣控製盤應懸掛安裝於牆上。
(二)設備出廠前已將篩網裝妥,使用過程中的篩網更換可自己更換。
(三)開(kai)機(ji)前(qian),應(ying)先(xian)檢(jian)查(zha)各(ge)壓(ya)緊(jin)螺(luo)栓(shuan)的(de)緊(jin)固(gu)程(cheng)度(du),及(ji)各(ge)料(liao)口(kou)的(de)位(wei)置(zhi)是(shi)否(fou)與(yu)接(jie)料(liao)器(qi)對(dui)正(zheng),並(bing)觀(guan)察(cha)振(zhen)動(dong)電(dian)機(ji)是(shi)否(fou)能(neng)正(zheng)常(chang)轉(zhuan)動(dong)及(ji)彈(dan)簧(huang)受(shou)力(li)有(you)無(wu)阻(zu)礙(ai),檢(jian)查(zha)各(ge)層(ceng)篩(shai)網(wang)是(shi)否(fou)壓(ya)緊(jin)。
(四)當旋振篩接入電氣控製盤之前,應首先對電氣控製盤進行檢查。線路接通後觀察振動電機旋轉方向是否是順時針方向, (備注:否則應改變相序)運轉是否正常,有無異噪聲。
(五)調節振動電機上下偏心塊的相位角,以適應各種物料篩分情況。
1.保修期內非因操作不當造成需要更換的零配件及設備由我廠負責包修、包換。
2.質量保證期結束後,我廠將繼續免費提供售後服務,不限年份終身服務,僅收取零部件成本費,免收人工費,免收維修費。
為了向您提供完善的售後服務,請將您的寶貴意見、建jian議yi及ji要yao求qiu反fan饋kui給gei我wo廠chang。我wo們men感gan謝xie貴gui單dan位wei使shi用yong我wo廠chang的de產chan品pin,我wo廠chang建jian立li有you完wan整zheng的de營ying銷xiao網wang絡luo及ji完wan善shan的de售shou後hou服fu務wu體ti係xi,售shou後hou服fu務wu部bu已yi將jiang您nin購gou買mai的de產chan品pin建jian立li了le信xin息xi檔dang案an。如ru果guo您nin購gou買mai的de產chan品pin出chu現xian質zhi量liang問wen題ti,我wo們men將jiang及ji時shi為wei您nin提ti供gong全quan方fang位wei的de服fu務wu。
Copyright © 2007-2019 振動篩廠家-新鄉市大漢振動機械有限公司 | All Rights Reserved 版權所有
備案序號:豫ICP備09002479號-1