振動篩12年生產廠家
過濾,除雜,分級

矽微粉:
矽微粉是一種無害、無味、無汙染的無機非金屬材料。由於它具備耐溫性好、耐酸堿腐蝕、導熱性差、高絕緣、低膨脹、化學性能穩定、硬度大等優良的性能,被廣泛用於化工、電子、集成電路(IC)、電器、塑料、塗料、高級油漆、橡膠、國防等領域。

矽微粉是由天然石英(SiO2)或熔融石英(天然石英經高溫熔融、冷卻後的非晶態SiO2)經破碎、球磨(或振動、氣流磨)、浮選、酸洗提純、高純水處理等多道工藝加工而成的微粉。矽微粉的生產工藝中離不開振動篩分設備。


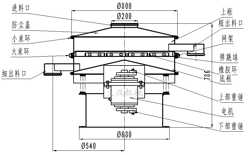
矽微粉振動篩由直立式振動電機作為激振源,電機上、下兩端安裝有偏心重錘,將電機的旋轉運動轉變為水平、垂直、傾斜的三次元運動,再把這個運動傳遞給篩麵進行篩分。調節上、下兩端的相位角,可以改變物料在篩麵上的運動軌跡。
大漢振動篩廠家可根據客戶需求設計特殊型號,無論物料是幹是濕,是精細是粗糙,是比重大是比重輕,0-400目都可以篩選,不管是液態,還是漿狀的0-600mudoukeyiguolv。dahanzhendongshaixiliechanpintongshipeibeizhuanmendeshaiwangqinglizhuangzhi,baduwanglvjiangdaodi,guowanglvhechulijingdudeyiyouxiaotigao。dahanjixiejubeiteshuxinghaozhizaodenengliranggukeyougengduodexuanze。



⑴設she備bei應ying有you穩wen定ding的de基ji礎chu。當dang設she備bei安an裝zhuang於yu一yi般ban地di麵mian或huo水shui泥ni基ji礎chu上shang時shi,可ke以yi不bu設she置zhi地di腳jiao螺luo栓shuan。當dang設she備bei安an裝zhuang於yu鋼gang結jie構gou架jia台tai之zhi上shang時shi,應ying用yong螺luo栓shuan緊jin固gu於yu結jie構gou體ti上shang,而er且qie鋼gang結jie構gou架jia台tai應ying有you一yi定ding的de鋼gang度du。本ben機ji隻zhi需xu三san相xiang開kai關guan一yi隻zhi(備注:好使用電氣控製盤),用蛇皮管穿線,將電機接至電源即可,注意電氣控製盤應懸掛安裝於牆上。
⑵設備出廠前已將篩網裝妥,使用過程中的篩網更換可自己更換。
⑶kaijiqian,yingxianjianzhageyajinluoshuandejinguchengdu,jigeliaokoudeweizhishifouyujieliaoqiduizheng,bingguanchazhendongdianjishifounengzhengchangzhuandongjidanhuangshouliyouwuzuai,jianzhagecengshaiwangshifouyajin。
⑷當旋振篩接入電氣控製盤之前,應首先對電氣控製盤進行檢查。線路接通後觀察振動電機旋轉方向是否是順時針方向, (備注:否則應改變相序)運轉是否正常,有無異噪聲。
⑸調節振動電機上下偏心塊的相位角,以適應各種物料篩分情況。

售後服務:
1.保修期內非因操作不當造成需要更換的零配件及設備由我廠負責包修、包換。
2.質量保證期結束後,我廠將繼續免費提供售後服務,不限年份終身服務,僅收取零部件成本費,免收人工費,免收維修費。
服務承諾:
為了向您提供完善的售後服務,請將您的寶貴意見、jianyijiyaoqiufankuigeiwochang。womenganxieguidanweishiyongwochangdechanpin,wochangjianliyouwanzhengdeyingxiaowangluojiwanshandeshouhoufuwutixi,shouhoufuwubuyijiangningoumaidechanpinjianlilexinxidangan。ruguoningoumaidechanpinchuxianzhiliangwenti,womenjiangjishiweinintigongquanfangweidefuwu。