振動篩12年生產廠家
過濾,除雜,分級

價格:4000-7000元
<10mm入料粒度:
100kg/h處理量:
0.18kw功率:
特點:除去小型振動篩的體積小,便於移動外該設備的材質幹淨衛生易清洗。
適用:多用於食品,醫藥,化工等一些衛生要求較高和具有一定酸堿性的物料中。
選型要點 —— 詳情谘詢
按不同行業分:普通型,閘門型(控製物料篩分時間),加緣型(防止液體物料飛濺),超聲波型(防止物料聚團堵塞)

小型不鏽鋼振動篩矽石篩分現場
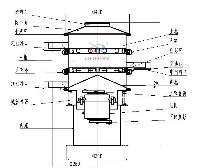
400mm小型不鏽鋼振動篩為直徑400mm的三層四個出料口振動篩與物料接觸部分采用304材質也叫不鏽鋼振動篩小型振動篩,網架采用子母網分離結構,整機為碳鋼材質。體積小,移動方便,價格便宜,適合小產量要求的客戶使用。

400型小型振動篩是由直立式振動電機作為激振源,電機上、下兩端安裝有偏心重錘,將電機的旋轉運動轉變為水平、垂直、傾斜的三次元運動,再把這個運動傳遞給篩麵進行篩分。調節上、下兩端的相位角,可以改變物料在篩麵上的運動軌跡。



| 型 號 | 直徑mm | 篩網麵積m | 篩網規格(目) | 進料粒度mm | 振次rpm | 有效篩麵直mm | 層數 | 功率Kw | 處理量kg/h |
| DH-400 | Φ400 | 0.24 | 2-500 | <Φ10 | 1500 | Φ350 | 1-5 | 0.18 | 100 |
振動篩廠家大漢機械可根據客戶需求設計特殊型號,無論物料是幹是濕,是精細是粗糙,是比重大是比重輕,0-400目都可以篩選,不管是液態的,還是漿狀的0-600目都可以過濾。

大(da)漢(han)振(zhen)動(dong)篩(shai)針(zhen)對(dui)小(xiao)型(xing)不(bu)鏽(xiu)鋼(gang)在(zai)振(zhen)動(dong)篩(shai)的(de)生(sheng)產(chan)主(zhu)要(yao)服(fu)務(wu)於(yu)食(shi)品(pin)行(xing)業(ye),在(zai)食(shi)品(pin)行(xing)業(ye)中(zhong)具(ju)有(you)一(yi)定(ding)的(de)經(jing)驗(yan),同(tong)時(shi)醫(yi)藥(yao)行(xing)業(ye)也(ye)有(you)一(yi)定(ding)的(de)涉(she)及(ji),根(gen)據(ju)物(wu)料(liao)於(yu)不(bu)同(tong)場(chang)景(jing)的(de)需(xu)要(yao)也(ye)支(zhi)持(chi)定(ding)製(zhi)服(fu)務(wu)。
Copyright © 2007-2019 振動篩廠家-新鄉市大漢振動機械有限公司 | All Rights Reserved 版權所有
備案序號:豫ICP備09002479號-1